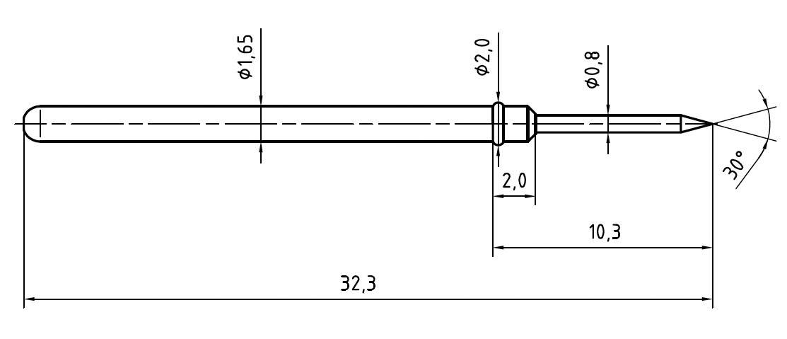
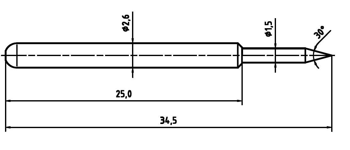
contatto a molla

3.709.769 items

Altro