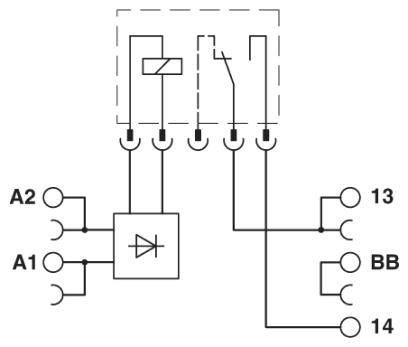
collegamento relè 12v

163.978 items

Altro